语言选择:
简体中文
|
ENGLISH
返回首页
|
设为首页
|
收藏本站
|
企业邮局
LED数码管
LED发光二极管
电容器
电容规格表
可控硅
KP系列可控管帽
Q-T-T系列管帽
YX系列管帽(玻璃)
ZP系列管帽(玻璃)
ZP系列管帽(陶瓷)
晶体管
晶体高频谐振器
您所在的位置:
网站首页
> 产品展示
ZP系列管帽(玻璃)
>> ZP系列管帽(玻璃)
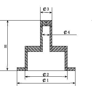
电力半导体整流管管帽(玻璃)
型号
规格
¢1
¢2
¢3
¢4
H
备注
EF
5A
13.4
10
2.6
2
19
玻璃通孔
EG-1
20A
18
14
5
3.5
31
陶瓷(形式2)
EX40-70
40-70A
18
14
4
2.5
22.5
-
EX70
70A
19.5
16
5
3.2
22
-
点击数:1388 录入时间:2011/7/25 【
打印此页
】 【
关闭
】
Copyright © 2011 宜兴市中天无线电器件有限公司 版权所有 地址:宜兴市张渚镇茗岭
厂长:宗裕林 手机:13601539256 电话:0510-87341246 E-Mail:
888@yxztdz.com
后台管理
苏ICP备11048158号