Select language:
CHINESE
|
英文版
LED Digital Tube
LED light-emitting diode
Capacitor Series
Capacitance specifiactions table
SCR
KP Series possession of apperatus
Q-T-T Series tube apparatus
YX series of hats (glass)
ZP series of hats (glass)
ZP series of hats (ceramics)
Transistors
High-frequency crystal resonator
You are here:
Home Page
> Product
KP Series possession of apperatus
>> KP Series possession of apperatus
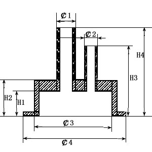
KP Series SCR control apparatus (5A-20A)
¢1
¢2
¢3
¢4
H1
H2
H3
H4
5A
2.6
1.5
10
12.3
6
10
17
20
5A
2.6
1.5
10
13.5
6
10
17
23
S10A
3
2
12
14.3
6
10
18.5
24.5
10A
5
1.5
13
17
6
10
20
28
10A
5
1.5
13
17
6
10
20
31
20A
5
1.5
14
18
5.5
9
19.5
31.5
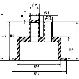
KP Series possession of apparatus (20A - 200A)
¢1
¢2
¢3
¢4
¢5
H1
H2
H3
H4
H5
S20A
5.5
3.6
2.6
17
20
5
16
26
28
36
50A
7
4.6
2.6
24.4
27
6
18
32
34
43
50A
8
5.4
2.6
24.4
27
7
18
31
34
44
100A
11
8.5
2.6
26
30
8
19
35
34
45
200A
13
10.1
2.6
31
36
9
19
40
39
50
Hits:1175 UpdateTime:2011/7/25 【
Print
】 【
Close
】
Copyright © 2011 Yixing shi Zhong Tian Radio Devices CO.,LTD. All Rights Reserved.
ADD:Ming Ling,Zhang zhu Zhen,Yi Xing Shi,China Tel:086-510-87341246 E-Mail:
888@yxztdz.com